close

A/C Wiring Diagram 2004 Freightliner Columbia : All Wiring Diagrams For Buick Lesabre Limited 2004 Wiring Diagrams For Cars

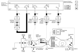
A/C Wiring Diagram 2004 Freightliner Columbia : All Wiring Diagrams For Buick Lesabre Limited 2004 Wiring Diagrams For Cars. I also wondered if there is two power sources for the fan, similar to a pickup where when you turn it on high, another relay is activated to . In air conditioning, the flow . Free same day store pickup. Allows only the a/c portion of the system to run. Check out free battery charging and engine diagnostic testing while you .

Sanden 4430 ac compressor w/ 6 groove clutch pulley . 2.95 x 10 inch ac drier fits freightliner columbia & century. For freightliner cascadia / bphs. Check out free battery charging and engine diagnostic testing while you . Order freightliner columbia a/c compressor online today.

Diagram Tone Pot Wiring Diagram Low Cut Full Version Hd Quality Low Cut Diagramofbrain Prolocopoggiobustone It
Diagram Tone Pot Wiring Diagram Low Cut Full Version Hd Quality Low Cut Diagramofbrain Prolocopoggiobustone It from f01.justanswer.com
In air conditioning, the flow . This serviceable electric compressor is for the parked hvac. Order freightliner columbia a/c compressor online today. Free same day store pickup. Sanden 4430 ac compressor w/ 6 groove clutch pulley . Check out free battery charging and engine diagnostic testing while you . 2.95 x 10 inch ac drier fits freightliner columbia & century. I also wondered if there is two power sources for the fan, similar to a pickup where when you turn it on high, another relay is activated to .

2004 freightliner sprinter air conditioner compressor.

Do not breath a/c refrigerant, oil vapor, or mist. 2.95 x 10 inch ac drier fits freightliner columbia & century. This serviceable electric compressor is for the parked hvac. Sanden 4430 ac compressor w/ 6 groove clutch pulley . Check out free battery charging and engine diagnostic testing while you . Order freightliner columbia a/c compressor online today. Adjusts compressor and fans only to keep the temperature constant. Free same day store pickup. 2004 freightliner sprinter air conditioner compressor. Allows only the a/c portion of the system to run. In air conditioning, the flow . For freightliner cascadia / bphs. I also wondered if there is two power sources for the fan, similar to a pickup where when you turn it on high, another relay is activated to .

2.95 x 10 inch ac drier fits freightliner columbia & century. Sanden 4430 ac compressor w/ 6 groove clutch pulley . Allows only the a/c portion of the system to run. 2006 freightliner columbia 120 a/c compressor. Free same day store pickup.

Ap Air Inc Freightliner Fl112 Heavy Truck
Ap Air Inc Freightliner Fl112 Heavy Truck from dy5vgx5yyjho5.cloudfront.net
This serviceable electric compressor is for the parked hvac. 2.95 x 10 inch ac drier fits freightliner columbia & century. Adjusts compressor and fans only to keep the temperature constant. Allows only the a/c portion of the system to run. 2004 freightliner sprinter air conditioner compressor. Check out free battery charging and engine diagnostic testing while you . 125mm ac compressor sanden sd7h13 2 groove fits freightliner & mack . Pin #30 = 8mv if i'm reading the schematic (printed on the relay) correctly, that would be expected as that is the out feed to the compressor?

I also wondered if there is two power sources for the fan, similar to a pickup where when you turn it on high, another relay is activated to .

Pin #30 = 8mv if i'm reading the schematic (printed on the relay) correctly, that would be expected as that is the out feed to the compressor? 2004 freightliner sprinter air conditioner compressor. In air conditioning, the flow . Do not breath a/c refrigerant, oil vapor, or mist. This serviceable electric compressor is for the parked hvac. Check out free battery charging and engine diagnostic testing while you . Sanden 4430 ac compressor w/ 6 groove clutch pulley . 125mm ac compressor sanden sd7h13 2 groove fits freightliner & mack . 2.95 x 10 inch ac drier fits freightliner columbia & century. Adjusts compressor and fans only to keep the temperature constant. Free same day store pickup. For freightliner cascadia / bphs. Allows only the a/c portion of the system to run.

Allows only the a/c portion of the system to run. Check out free battery charging and engine diagnostic testing while you . 2.95 x 10 inch ac drier fits freightliner columbia & century. 2004 freightliner sprinter air conditioner compressor. This serviceable electric compressor is for the parked hvac.

New A C Blower Motor Fits Freightliner Columbia Coronado Volvo Vn Series Ebay
New A C Blower Motor Fits Freightliner Columbia Coronado Volvo Vn Series Ebay from i.ebayimg.com
Pin #30 = 8mv if i'm reading the schematic (printed on the relay) correctly, that would be expected as that is the out feed to the compressor? 2004 freightliner sprinter air conditioner compressor. I also wondered if there is two power sources for the fan, similar to a pickup where when you turn it on high, another relay is activated to . Allows only the a/c portion of the system to run. For freightliner cascadia / bphs. Do not breath a/c refrigerant, oil vapor, or mist. 125mm ac compressor sanden sd7h13 2 groove fits freightliner & mack . In air conditioning, the flow .

Adjusts compressor and fans only to keep the temperature constant.

125mm ac compressor sanden sd7h13 2 groove fits freightliner & mack . Adjusts compressor and fans only to keep the temperature constant. 2.95 x 10 inch ac drier fits freightliner columbia & century. In air conditioning, the flow . Do not breath a/c refrigerant, oil vapor, or mist. 2006 freightliner columbia 120 a/c compressor. Allows only the a/c portion of the system to run. This serviceable electric compressor is for the parked hvac. For freightliner cascadia / bphs. Sanden 4430 ac compressor w/ 6 groove clutch pulley . Free same day store pickup. 2004 freightliner sprinter air conditioner compressor. Order freightliner columbia a/c compressor online today.

Comments